送料無料の通販 ORIX ブロワ 200V MB1665-D-F9 FANシロッコファン AC 扇風機・サーキュレーター
(3192件)
Pontaパス特典
サンキュー配送
8584円(税込)
86ポイント(1%)
Pontaパス会員ならさらに+1%ポイント還元!
送料
(
)
3182
配送情報
お届け予定日:2026.04.17 17:5までにお届け
※一部地域・離島につきましては、表示のお届け予定日期間内にお届けできない場合があります。
ロットナンバー
28782231847
お買い物の前にチェック!
Pontaパス会員なら
ポイント+1%
ポイント+1%
商品説明
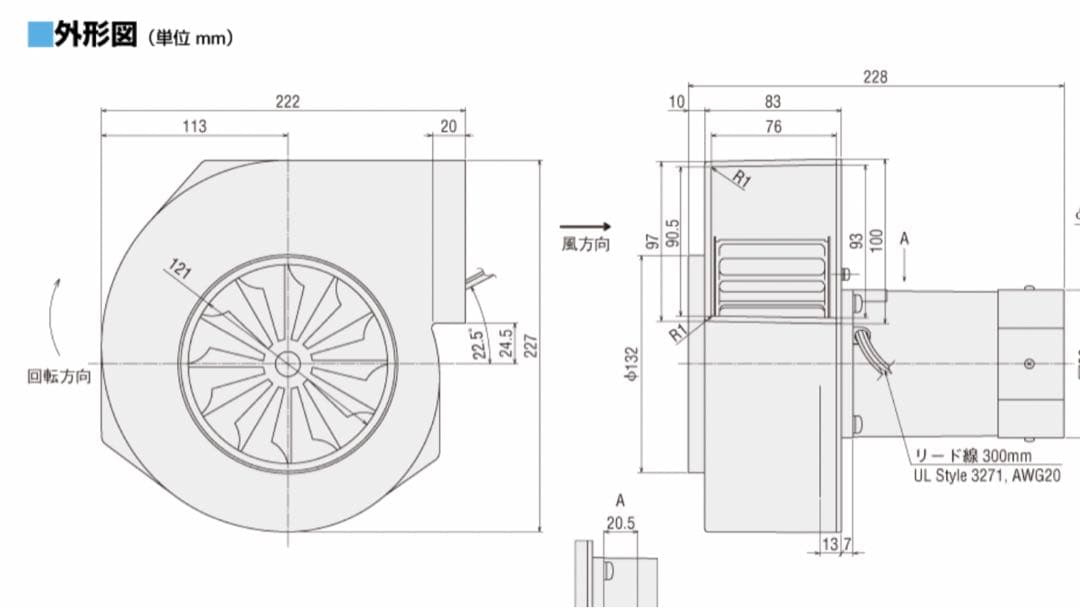
ORIX AC FANシロッコファン オリックスMB1665-D-F9 200V 金属ファン ACブロワアルミ製 サーマルプロテクター内蔵コンデンサー8.0μF 重量5kg 新品だと通常36300円の商品です。IRIS OHYAMA ポータブルクーラ IPA-2324S/IPP-2224S。2.3日連絡が遅れる事があります。青い3枚ファンの扇風機 昭和レトロアンティークSHARPシャープPJ-303SF。どんどん出品して行くので、他の出品物も見て下さい。お得 高級サーキュレーター 扇風機 360度回転 オールシーズン リモコン付き。| カテゴリー: | 生活家電・空調>>>扇風機・サーキュレーター>>>その他 |
|---|---|
| 商品の状態: | やや傷や汚れあり","目につく傷や汚れがある |
| 配送料の負担: | 着払い(購入者負担) |
| 配送の方法: | 未定 |
| 発送元の地域: | 京都府 |
| 発送までの日数: | 2~3日で発送 |
レビュー
商品の評価:




4.6点(3192件)
- ちぃーこさん
- 第一印象はやはりでかいと思いましたが、重さはそれほどなく持ち運びできそうです。また、他の方のレビュー通り中以上の風量では音がうるさいので就寝時は一番弱い風量しか使えなさそうです。ただ、他店より安く購入できて満足しています。
- おっかさん(笑)
- ACモータ品を持っていて動作音が爆音で使い勝手が悪かったので、こちらの商品を購入しました。 最大風力にすると流石に五月蠅いですが、許容範囲内です。風量調整、3D首振り機能性は満足できるもので、コスパの良い商品といえるでしょう!
- 楽天カフェイン
- 風量は十分あります。リモコンで操作ができるので便利だと思います。
- のりニャン
- 発注後に在庫無しだったのでがっかりしたが、その後素早い代替え案でフォローして貰ったので良かった。
- ノリコロpig
- 手元に3段階(静穏 中 強)の強さのスイッチだけついている シンプルな サーキュレーターです 8畳用とあるように 静穏モードだけでも充分な風 があり、 とても良いと思いました AC電源なので上記3段階と 切る の スイッチだけが付いたものです
- ririko1122
- 今回の購入で各部屋に扇風機設置が完了しました。特によく使う部屋になるので、出来るだけ静かな物を探していましたが、想像してた程 送風音はあまり静かではありませんでした。しかし送風の切り替えが9段階もあるので、使い勝手の良い扇風機だと思います。ちょっと高いですが、お奨めの商品です。
- 真鯛倶楽部
- 2台目です。 ミストグリーンは持っていたためブルーにしようと思ったはずが間違えてまたグリーンを買ってしまいました笑 まー可愛いのでいいです 音についてはマックスかそれに近い出力にすると正直うるさいですが、パワーがあってよろしいということにしておいてます。 部屋に蚊取り線香を置いて置くと煙がガンガンサーキュレーターに吸い込まれていくのがわかります。 頼もしい。 お掃除は最初は分からなくてサポートに電話してしまいましたが慣れればちゃんとできます。
すべて見る
お店の情報
7,367
連絡・応対
4.3
配送スピード
4.3
梱包
4.3










